0265-98-7927

高性能・長寿命 磁気センサーならアキュレイトシステムズにお任せ!

よくある質問

  1. HOME
  2. よくある質問
  3. 磁気センサの取り付け注意点はありますか?

磁気センサの取り付け注意点はありますか?

磁気センサに関して

➀本製品はマグネットの磁束を検出しますので、センサ取付金具等はSUS304やアルミなどの非磁性材を用いてください。磁性材を使用するとセンサ感度が変化することがあり、誤作動の原因になります。

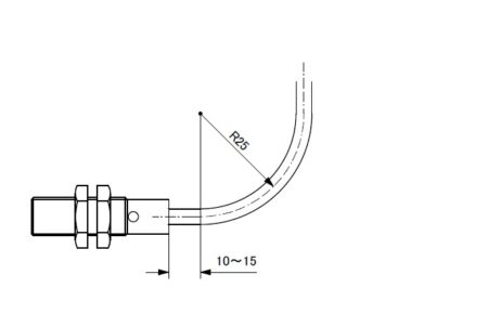
➁MHS1005、1008、1023シリーズのケーブルの曲げ量につきまして以下の図をご参照ください。

back to top